最全英国回国转机攻略!英国回国政策!

2022/01/21/周五 16:19

点击量:1082
春节快到了,许多同学们最近在询问回国的各种政策,小编今天就给大家总结一下回国的政策,需要准备的材料,时间线以及航班。
需要准备的材料
1. 指定机构双检测报告
2. N蛋白检测阴性报告(如果你接种的是辉瑞/Moderna疫苗)
3. 已填写并签署的《新冠疫苗接种声明书》
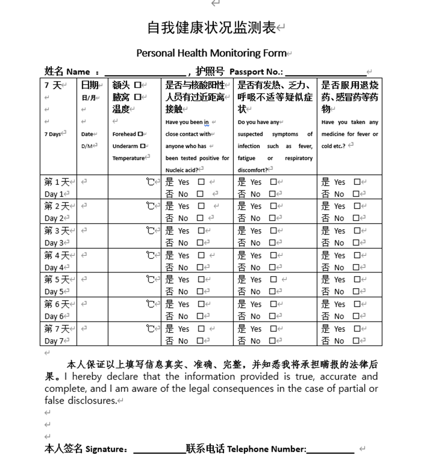
4. 已填写并签署的《自我健康状态监测表》
4. 疫苗接种证明(接种卡/邮件等)
5. 机票行程单
6. 至少1份能够证明本人在英国停留已经超过28天的材料。如BRP卡、学生证、带姓名和地址的水电燃气账单或银行对账单、最近一次入境记录等。
时间线
❂ 准备阶段
提前3个月购买回国机票并了解回国政策(不过建议大家最近不要买机票,回国政策可能会有变动);
预约首次核酸检测,首次核酸没有指定机构,同学们可以去英国官网预定PCR测试;
预约行前48小时的两次/三次核酸检测。
如果接种的是国内疫苗,那么只需要预约行前48小时两次PCR核酸结果;如果你接种的是辉瑞/Moderna疫苗,那么你需要预约双次核酸检测+N蛋白检测;
此次核酸检测需要去驻英大使馆指定的检测机构进行检测, 具体指定的核酸检测机构可看以下链接:https://www.mfa.gov.cn/ce/ceuk//chn/lsfw/lsxz/P020210218184786101741.pdf
在购买机票的时候,确认自己的航班是否需要预约中转国的核酸检测。
❂ 回国前7天
进行首次核酸检测,如果使用NHS的检测包,建议同学们walk-in和Home Test都做,这样就可以避免检测时间对不上的尴尬结果了;
下载并连续填写7天的《自我健康状态监测表》,注意签名一定要亲手填写,不可以打印哦;

如果同学们想要《自我健康状态监测表》文件,可以扫描下方二维码进入群聊,我们会在群内分享各种回国所需文件以及回国省钱指南~
3.如果同学接种了疫苗,建议同学们填写并签署《新冠疫苗接种声明书》。
❂ 回国前2天
进行行前48小时的检测。
如果接种的是国内疫苗,那么只需要预约行前48小时两次PCR核酸结果;
如果你接种的是辉瑞/Moderna疫苗,那么你需要预约双次核酸检测+N蛋白检测。
另外需要注意的是,建议同学们去大机构进行检测,因为大机构会将你的检测送去两个不同的实验室。否则,你还需要跑两个机构进行检测。
准备疫苗接种证明、机票行程单、1份能够证明本人在英国停留已经超过28天的材料:如BRP卡、学生证、带姓名和地址的水电燃气账单或银行对账单、最近一次入境记录等。
❂ 回国前1天
在出检测结果后,同学需要立刻申请绿码:
如果同学们是在国内完整接种的疫苗, 且你核酸阴性+IgM抗体阴性,那么你就可以按照正常流程申报健康码了;如果你核酸阴性 +IgM抗体阳性,那么你需要按照以下流程才可以申报健康码:
1. 下载《新冠疫苗接种声明书》,如实填写并手写签署。
2.将以下材料拍照或截图:
-指定机构双检测报告
-已填写并签署的《新冠疫苗接种声明书》
-疫苗接种证明(接种卡/邮件等)
-机票行程单
-至少1份能够证明本人在英国停留已经超过28天的材料。如BRP卡、学生证、带姓名和地址的水电燃气账单或银行对账单、最近一次入境记录等
3.同学们通过微信“防疫健康码国际版”小程序上传以上图片待审核。
二:
而如果同学们完全接种了非灭活疫苗(辉瑞/Moderna),且你核酸阴性+IgM抗体阴性,就按照正常流程申报健康码了;
如果你核酸阴性+IgM抗体阳性,那么你还需要提供N蛋白检测阴性报告才可以申报健康码:
1. 下载《新冠疫苗接种声明书》,如实填写并手写签署
2. 将以下材料拍照或截图:
-指定机构双检测报告
-N蛋白检测阴性报告
-已填写并签署的《新冠疫苗接种声明书》
-疫苗接种证明(接种卡/邮件等)
-机票行程单
-至少1份能够证明本人在英国停留已经超过28天的材料。如BRP卡、学生证、带姓名和地址的水电燃气账单或银行对账单、最近一次入境记录等。
3. 同学们通过微信“防疫健康码国际版”小程序上传以上图片待审核。
❂ 乘坐飞机当天
填写中转国入境表
正常乘坐飞机
❂ 途径中转国
根据航班指示,迅速前往机场进行核酸检测
在获得报告后,一定要第一时间申请绿码
在“海关旅客指尖服务”申请海关红码
免费获取留学规划方案,您可以通过以下4种方式联络我们:
1、欢迎致电启德教育客户服务中心400-1010-123;
2、欢迎 点击这里 进行网络咨询;
3、添加启德官网微信,可立即咨询;
4、填写表单,我们会在1-3天内为您提供专业的服务。
启德教育 2000 年创立,在国内 43个城市布局 75 家分支机构、130 家分中心,境外设有 15 家分支机构。与全球多所世界名校深度合作,打造全链条留学服务体系,累计服务学子超百万。同时构建"国内+海外"双轨升学服务生态,提供国内高中多元升学规划、研究生推免指导,以专业化、品质化服务,助力培养具备全球竞争力的未来人才。
免费获取留学规划方案,您可以通过以下4种方式联络我们:
1、欢迎致电启德教育客户服务中心400-1010-123;
2、欢迎 点击这里 进行网络咨询;
3、添加启德官网微信,可立即咨询;
4、填写表单,我们会在1-3天内为您提供专业的服务。
更多留学资讯



